Valikko
Foorumi
Uudet viestit
Hae sivustolta
Mitä uutta
Uudet viestit
Uudet profiiliviestit
Viime toiminnot
Jäsenet
Tämänhetkiset kävijät
Uudet profiiliviestit
Hae profiiliviesteistä
Kirjaudu sisään
Rekisteröidy
Yleiskatsaus
Haku
Haku
Hae vain otsikoista
Kirjoittaja:
Uudet viestit
Uudet profiiliviestit
Viime toiminnot
Valikko
Kirjaudu sisään
Rekisteröidy
Asenna sovellus
Install
Ilmaisenergia.info -foorumi yhdistetään Konekansa.net -foorumin osaksi vuoden 2025 aikana.
LUE TÄMÄ
pitääksesi käyttäjätunnuksesi voimassa, kiitos!
Mitä uutta
JavaScript pois käytöstä. Saadaksesi kaiken irti sivustosta, ole hyvä ja salli JavaScriptin käyttö selaimessasi.
Käytät vanhentunutta selainta. Selaimesi ei mahdollisesti näytä tätä tai muita sivustoja oikein. Sinun tulisi päivittää selaimesi tai käyttää
vaihtoehtoista selainta.
.
Viime toiminnot
Yleiskatsaus
Uudet viestit
Uudet profiiliviestit
Viime toiminnot
T
-Teme-
vastasi viestiketjuun
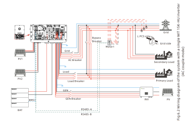
Growatt WIT 15K
.
Kiitos kommenteista. Growatt WIT genu liitäntä on asetuksista valita perinteiseksi genu in tai ohjattua vaihejännitettä syötäväksi -...
22 Lokakuu 2025
T
-Teme-
aloitti viestiketjun
Growatt WIT 15K
osiossa
Aurinkosähkö
.
Tuli ostettua Growatt WIT 15K-HU hybridi invertteri. Saa kytkettyä matalajännite akut ja lisäksi genu liitäntä tukee mikroinverttereitä...
22 Lokakuu 2025
A
Aurinkoinen
vastasi viestiketjuun
Tuli jälleen kerran pyyntö käydä kylmässä "kesämökissä"
.
Onko kohtuuton ponnistus, jos ihan itse kävisi sähkönmyyjän sivuilta tsekkaamassa kulutuksen? Kustannukset eivät ainakaan karkaisi.
20 Lokakuu 2025
J
Jussi
vastasi viestiketjuun
Tuli jälleen kerran pyyntö käydä kylmässä "kesämökissä"
.
Ei olis kyllä mikään varsinainen ponnistus tai kuluerä sähköyhtiölle tuollainen lisuke. Kyllä ne jo muutenkin niitä kulutuksia jollain...
20 Lokakuu 2025
J
Jussi
reagoi jäsenen
Mekaniker viestiin
ketjussa
Tuli jälleen kerran pyyntö käydä kylmässä "kesämökissä"
:
Tykkää
.
Taas sama vika, maalämpöpumpun lämmityksen kiertovesi-pumppu pettänyt (kolmas kerta/ neljä vuotta?) Nähtävästi ollut rikki jo keväästä...
20 Lokakuu 2025
S
Savonius
vastasi viestiketjuun
Paistaa se aurinko risukasaanki
.
Aurinko oli meillä korkeimmillaan noin 13.18 ja korkeus silloin 19 astetta. Loppupäivä ei ollut aivan aamupäivän veroista mutta 240W...
18 Lokakuu 2025
S
Savonius
vastasi viestiketjuun
Paistaa se aurinko risukasaanki
.
Olipa kuulas aamu. Käyrä 8.50 - 12.35. 240W paneelista verkkoon. 0,66kWh kertynyt. 13 paneelilla verkkoon (240-285).
18 Lokakuu 2025
J
Jussi
vastasi viestiketjuun
Easun hybridi-invertteri ostettu
.
Vielä tein irrallaan testejä tuon uuden kanssa. Tottelee näköjään OSO asetusta nätisti ja ei silloin kuluttelekaan pahasti ollessaan...
18 Lokakuu 2025
J
Jussi
reagoi jäsenen
korsteeni viestiin
ketjussa
Korsteeni
:
Tykkää
.
poikkeuksellinen päivä tänään, 6 tuntia yli 15kW teholla, kaikki akut autoa myöten täyteen (auto 65%) ja loppu veteen, aurinkovoima...
18 Lokakuu 2025
J
Jussi
vastasi viestiketjuun
Korsteeni
.
Kyllä meillä alkaa oleen aurinkokausi ohi. Nyt oon mökillä ja täällä on jo ihan olematon aika kun tulee edes jotain, geniksellä pakko...
17 Lokakuu 2025
J
Jussi
reagoi jäsenen
korsteeni viestiin
ketjussa
Korsteeni
:
Tykkää
.
alkaa syksy akuissa tuntua, tasan viikko ilman aurinkoa, eilen saunottiin sähköllä, näkyy piikkinä klo18 edellä, autokin 50%, huomenna...
17 Lokakuu 2025
H
Helkoo
reagoi jäsenen
korsteeni viestiin
ketjussa
Korsteeni
:
Tykkää
.
alkaa syksy akuissa tuntua, tasan viikko ilman aurinkoa, eilen saunottiin sähköllä, näkyy piikkinä klo18 edellä, autokin 50%, huomenna...
16 Lokakuu 2025
S
Savonius
reagoi jäsenen
korsteeni viestiin
ketjussa
Korsteeni
:
Tykkää
.
alkaa syksy akuissa tuntua, tasan viikko ilman aurinkoa, eilen saunottiin sähköllä, näkyy piikkinä klo18 edellä, autokin 50%, huomenna...
16 Lokakuu 2025
P
Pähkäilijä
reagoi jäsenen
korsteeni viestiin
ketjussa
Korsteeni
:
Tykkää
.
alkaa syksy akuissa tuntua, tasan viikko ilman aurinkoa, eilen saunottiin sähköllä, näkyy piikkinä klo18 edellä, autokin 50%, huomenna...
16 Lokakuu 2025
J
Jussi
vastasi viestiketjuun
Easun hybridi-invertteri ostettu
.
Voihan paska, nyt tossa uudessa Easunissa ei olekaan sitä asetusta et by-pass olis aina päällä vertti sammutettuna. Ja aika reilusti...
10 Lokakuu 2025
Mitä uutta
Käytämme sivuillamme evästeitä voidaksemme tarjota käyttäjille paremman käyttökokemuksen sekä kehittääksemme sivuston toimivuutta.
Jatkamalla sivuston käyttöä, hyväksyt evästeiden käytön.
Hyväksy
Lisätietoja...
Ylös